R

Shade DPDT Relay Wiring V4

  • Media owner RAL
  • Date added
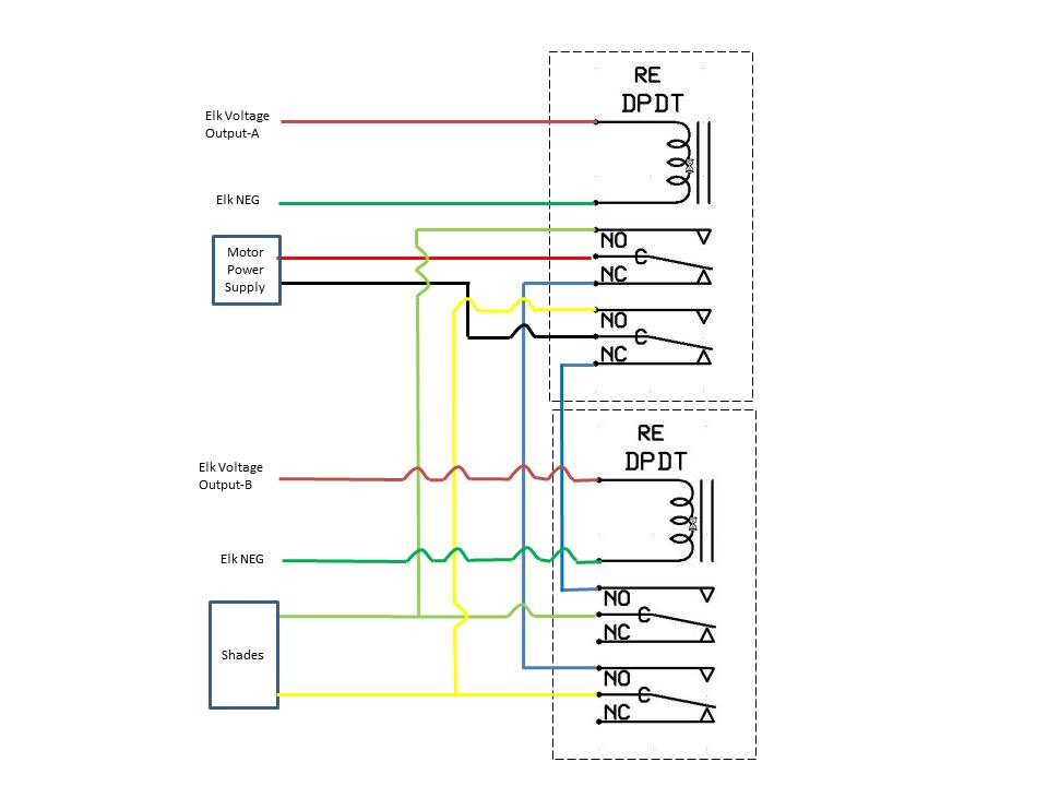
DPDT Relay wiring for Hunter Douglas EasyRise Shades
There are no comments to display.

Media information

Album
RAL's Album
Added by
RAL
Date added
View count
1,075
Comment count
0
Rating
0.00 star(s) 0 ratings

Share this media

Back
Top